-
Встраиваемый душевой поддон из нержавеющей стали AISI 304 с сатинированной отделкой – это надежное решение для общественных помещений с высокой проходимостью и мест, где требуется повышенная защита от вандализма. Его долговечность, устойчивость к окислению и простота ухода делают поддон отличным выбором для помещений с интенсивным использованием.
Поверхность поддона обладает противоскользящими свойствами, что минимизирует риск травм и делает его безопасным для пользователей. Основание поддона предотвращает скольжение, обеспечивая дополнительную устойчивость. Подключение клапана и сифона предусмотрено в конструкции, а комплектующие уже включены в состав.
Основные характеристики:
- Материал: нержавеющая сталь марки AISI 304 с сатинированной отделкой.
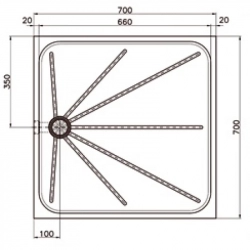
- Габаритные размеры: 40 х 700 х 700 мм.
- Слив: диаметр Ø 50 мм.
- Вес: 5,3 кг.
- Особенности: противоскользящее покрытие, стойкость к окислению, долговечность.
Монтаж:
Поддон предназначен для встраивания. Подключение к сливной системе осуществляется через стандартный клапан и сифон (входят в комплект).Области применения:
- Медицинские учреждения
- Общежития
- Дома престарелых
Преимущества:
- Прочная конструкция, устойчивая к нагрузкам.
- Противоскользящая поверхность обеспечивает безопасность.
- Устойчивость к коррозии и долговечность благодаря высококачественной стали.
- Простота в уходе и гигиеничность.
- Производство в Испании (Mediclinics) – соответствие международным стандартам качества.
Душевой поддон MEDICLINICS – это надежное решение для общественных и специализированных помещений, где требуется долговечное и функциональное оборудование.
-
-
Отзывы про Душевой поддон
Зарегистрируйтесь, чтобы создать отзыв.

