-
Поручень MEDINOX – это универсальное решение для создания безопасной и доступной среды в общественных местах и учреждениях. Его Г-образная конструкция с креплением "стена-пол" обеспечивает надежную опору для людей с ограниченными возможностями при ходьбе, стоянии и сидении.
Изготовленный из нержавеющей стали AISI 304 с сатинированной отделкой, поручень сочетает прочность, устойчивость к коррозии и эстетичный внешний вид. Рельефная поверхность предотвращает скольжение, что делает использование безопасным даже в условиях повышенной влажности.
Основные характеристики:
- Материал: нержавеющая сталь AISI 304 с сатинированной отделкой – долговечная, устойчивая к коррозии, легко очищается.
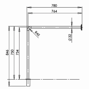
- Габаритные размеры: 846 х 780 х 32 мм.
- Форма: Г-образная конструкция, подходящая для установки в общественных туалетах и ванных комнатах.
- Антивандальное исполнение: выдерживает большие нагрузки, подходит для интенсивного использования.
- Рельефная поверхность: предотвращает скольжение, повышая безопасность.
Монтаж:
Поручень крепится к полу и стене. Для надежной установки стены должны быть несущими; при использовании гипсокартона требуется предусмотреть закладные элементы.Области применения:
- Медицинские учреждения
- Санатории
- Дома престарелых
- Аэропорты
- Вокзалы
Преимущества:
- Надежная конструкция, рассчитанная на длительный срок службы.
- Устойчивость к коррозии даже в условиях повышенной влажности.
- Универсальный дизайн, подходящий для различных интерьеров.
- Простота ухода за материалом.
- Производство в Испании (Mediclinics) – гарантия соответствия высоким стандартам качества.
Г-образный поручень MEDINOX – это практичное решение для обеспечения комфорта и безопасности в общественных местах, которое помогает создать доступную среду для людей с ограниченными возможностями.
-
-
Отзывы про Поручень для лиц с инвалидностью Г-образный MEDINOX BS0010CS
Зарегистрируйтесь, чтобы создать отзыв.

