-
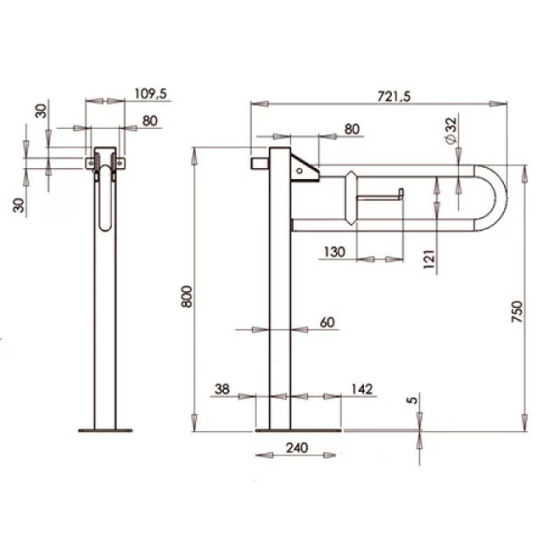
Поручень MEDINOX - это высококачественное решение для общественных ванных и туалетных комнат, специально разработанное для обеспечения удобства и безопасности людей с ограниченными возможностями. Поручень устанавливается вертикально с креплением "стена-пол", что обеспечивает надежность конструкции и возможность комфортного использования.
Особенностью данной модели является откидной механизм, позволяющий перемещать поручень из вертикального положения в горизонтальное. Эта функция обеспечивает удобство при использовании и хранении. Простая и интуитивная система фиксации срабатывает при подъеме поручня, фиксируя его под углом 90°.
Основные характеристики:
- Материал: нержавеющая сталь AISI 304 с сатинированной отделкой – прочный, устойчивый к коррозии и легко очищаемый материал.
- Габаритные размеры: 800 х 109,5 х 721,5 мм.
- Функциональность: оснащен держателем для туалетной бумаги, который удобно интегрирован в конструкцию.
- Антивандальное исполнение: надежность и долговечность даже при интенсивном использовании в общественных местах.
- Способ крепления: стена-пол; установка возможна справа или слева от унитаза. При монтаже на гипсокартонную стену требуются закладные элементы.
Преимущества:
- Поднимается на 90° для удобства использования и экономии пространства.
- Прочная конструкция, обеспечивающая безопасность.
- Универсальный дизайн, подходящий для любых интерьеров.
- Производство в Испании (Mediclinics) гарантирует соответствие международным стандартам качества.
Поручень MEDINOX – это надежный выбор для создания безбарьерной среды в общественных местах.
-
-
Отзывы про Поручень для лиц с инвалидностью стена-пол вертикальный MEDINOX
Зарегистрируйтесь, чтобы создать отзыв.

